ReiBot.org
The discoveries of an Electrical Engineer
Search:
Home
About Moser
Posts
Comments
Guides
Exhibition (ish)
Published
July 23, 2017
at
3285 × 2515
in
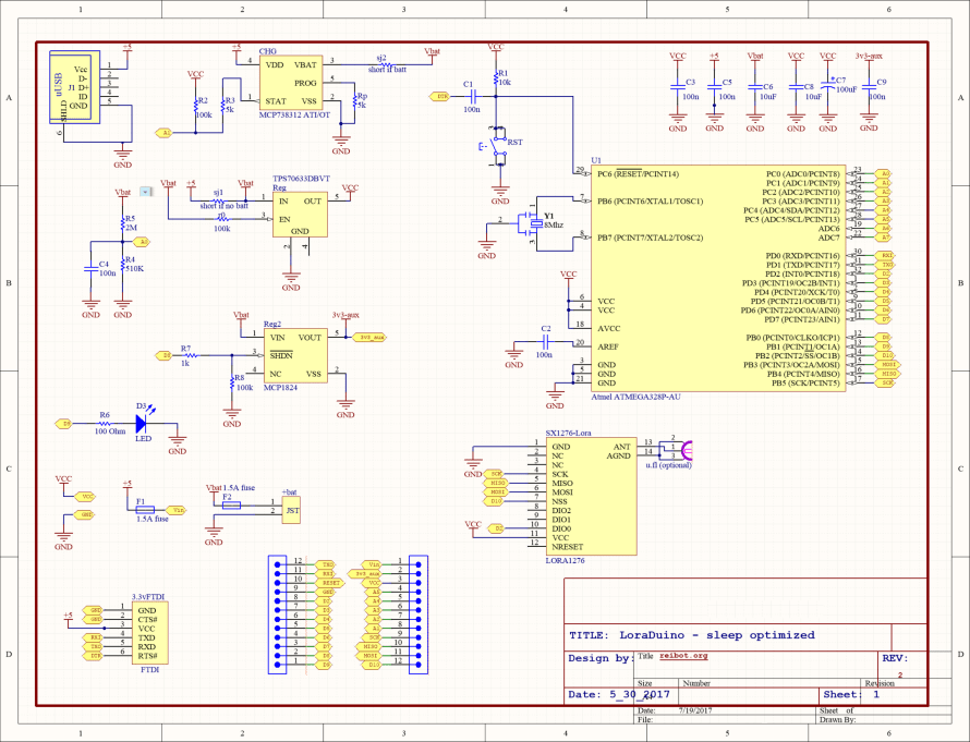
LoDuino – Low power Arduino with FCC Certified Lora radio
← Previous
Next →
LoDuino Schematic
Leave a comment
Cancel reply
Δ
Privacy & Cookies: This site uses cookies. By continuing to use this website, you agree to their use.
To find out more, including how to control cookies, see here:
Cookie Policy
Comment
Subscribe
Subscribed
ReiBot.org
Join 37 other subscribers
Sign me up
Already have a WordPress.com account?
Log in now.
ReiBot.org
Subscribe
Subscribed
Sign up
Log in
Copy shortlink
Report this content
View post in Reader
Manage subscriptions
Collapse this bar