LoDuino – Low power Arduino with FCC Certified Lora radio
July 23, 2017 1 Comment
Thought I’d throw up something I’ve been meaning to sell for a while.
- LoDuino328
LoDuino is an adorable low cost 8Mhz 3.3v ATMEGA328 Arduino with Lora radio, it’s breadboard friendly footprint makes it great for quick prototyping. Applications that utilize good power conservation practices can run for years on a small 1000mAh battery.
Features
- FCC Certified Lora radio for 915Mhz ISM — this radio does not have a managment IC like the RN2903 which removes limitations and offers lower power consumption.
- 4+ miles Line-Of-Site communication range when using low bandwidth Lora. Modulation type and bandwidth settings greatly impact range. Need more range? Consider the U.FL version which allows you to use high gain/directional antennas.
- Lipo charger with charging status indicator fed into the Arduino.
- Built in battery voltage reading.
- Optimized for battery applications <30uA standby current. This can be much further reduced to ~5uA by disabling the brown out detection and shutting off timers.
- Two 3.3v regulators: One that’s always on powering Arduino and radio. The second is controlled by the arduino allowing the user to shut it off in case sensors that can’t sleep or sleep at a high standby current are being used.
- Two 1.5 amp fuses. One on the 5v charging breadboard output and one on the battery input. Just to help protect in case you’ve got it installed somewhere and a short is introduced from vibrations or other malfunction.
- U.FL version for high gain or directional antennas. The U.FL connector also lets you run a u.fl -> sma out of your project box for a professional look.
Leave a comment for purchasing, it will not be posted on the site.
Do you need FCC certification?
Read up on this document. If it’s for personal/non business use: probably not.
Other things to keep in mind
- If you’re needing the FCC certification then FCC ID 2AD66-LORAV2 must be placed in a visible area of your device. FCC rules/regulations must be followed within your software.
- Code uploaded through FTDI cable or equivalent.
- U.FL version is not fcc certified due to changing antenna and adding coaxial cables.
Included
Comes with headers and JST battery connector — not soldered since lipo batteries change up polarity on JST pins
Setup procedure:
1) Download the Arduino IDE in zip format

2) Extract the IDE, find Boards.txt for editing

3) Edit these two highlighted lines. When uploading to the LoDuino board, use the ‘Arduino Uno’ board option

4) Download ArSpayce Radiohead library

5) Extract radiohead to your new arduino libraries folder.

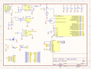
6) You’re done! Dont forget to check out the schematic
Code examples coming soon




Pingback: Lora Range Test | ReiBot.org